新聞中心
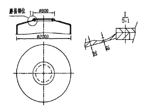
某水泥公司5000t/d水泥熟料生產線使用的磨機是立式球磨機,又簡稱立磨,當球磨機投產使用4個月的時檢查磨盤中心蓋板沒有發生磨損現象,當使用5個月的時候發現磨盤中心蓋板產生圓環狀磨損,最大磨損深度為18mm,磨損寬度為120mm。中心蓋板厚度30mm,幸好檢查及時,否則磨盤中心蓋板不排除磨穿的可能。
球磨機磨盤中心蓋板的磨損示意圖如下:

根據以上球磨機磨盤中心蓋板磨損情況,我們吉宏球磨機廠家專家初步分析認為:入磨的原料落到磨盤中心蓋板上形成渦流,原料與磨盤中心蓋板相對旋轉導致磨盤中心蓋板磨損成圓環形狀。
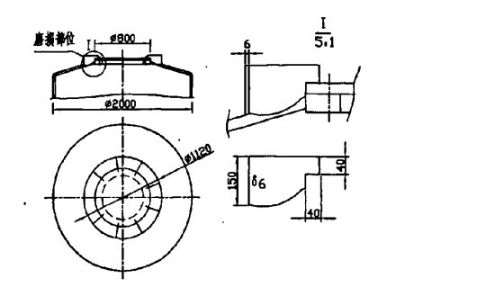
球磨機磨盤中心蓋板磨損修復示意圖如下:

專家建議:需要我們及時的更換球磨機磨盤中心蓋板備件,如果沒有磨盤中心蓋板備件的話需要我們采取磨損部位焊接鋼板工作,使原料在磨盤中心蓋板磨損部位形成料墊,避免原料與蓋板的磨損。需要我們注意的地方是,鋼板必須焊接牢固,并且在使用過程中經常檢查鋼板焊接焊縫,以防鋼板開焊脫落而引起其他設備的事故。
上一篇:球磨機油盤的結構改進方法
下一篇:球磨機出料口和筒體襯板的拆卸方法